Заключение первое
Thin-wall motor housings are among the most difficult aluminum CNC components to machine consistently.
The challenge is not simply machining outside dimensions. The real difficulty is maintaining:
- bearing bore concentricity
- wall stability after unclamping
- repeatable geometry in production
- vibration-free rotating alignment
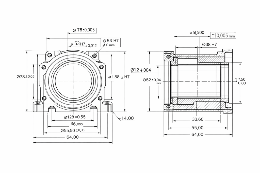
В этом проекте, RapidEfficient machined a custom aluminum motor housing with 1.2–1.5 mm wall thickness while achieving ±0.005 mm concentricity on critical rotating features.
For engineers comparing material options first, read our Best Aluminum for Precision Machining Guide
Требования к проекту
The customer required a lightweight housing for a precision drive system.
| Особенность | Требование |
|---|---|
| Материал | 6061-Т6 Алюминий |
| Толщина стены | 1.2–1.5 mm |
| Bearing Bore Tolerance | H7 |
| Концентричность | ±0,005 мм |
| Поверхностная обработка | Ра 0.8 мкм |
| Batch Stability | Необходимый |
The previous supplier could produce prototypes, but failed to maintain geometry consistently in production batches.

Why Thin-Wall Motor Housings Often Fail
Many shops can hold dimensions on a solid billet.
Thin-wall housings are very different.
Common failure points include:
- wall movement during clamping
- residual stress release after rough machining
- bore shift after unclamping
- chatter on weak wall sections
- poor alignment between front and rear bearing seats
This leads to real-world problems such as:
- bearing noise
- rotor vibration
- assembly rejection
- shortened service life
- unstable motor performance
Need tolerance guidance? Read our Руководство по допускам алюминия с ЧПУ
Ordinary Process vs Our Process
Typical Low-Control Process
- heavy roughing and finishing in one cycle
- standard vise clamping
- no stress stabilization time
- separate setups for critical bores
- limited inspection after machining
Результат:
- bore ovality
- concentricity drift
- wall distortion
- unstable batch consistency
RapidEfficient Controlled Process
- rough machining first
- stress release stabilization
- custom soft-jaw profile fixturing
- one-setup critical bore finishing
- full dimensional and CMM verification
Результат:
- stable bore geometry
- controlled wall movement
- repeatable concentricity
- production-ready consistency
Our Machining Strategy
1. Stable Material Selection
We selected certified 6061-Т6 алюминий with excellent machinability and predictable dimensional behavior.
6061 remains one of the best choices for precision housings without the higher cost of 7075.
2. Грубый + Rest + Finish Sequence
The housing was rough-machined first, then allowed to stabilize before final finishing.
This reduced dimensional movement caused by internal stress.
3. Custom Soft-Jaw Fixturing
We machined custom jaws matching the housing profile.
This distributed pressure evenly and protected thin-wall areas during clamping.
4. One-Setup Bore Finishing
Critical bearing bores were finished in one controlled setup to preserve axis alignment.
5. Thermal Awareness During Finishing
Aluminum has a relatively high thermal expansion coefficient:
α≈23.1×10−6/K
Even small temperature changes during machining can influence a thin wall section, so finishing parameters were carefully controlled.
6. Final CMM Verification
All key dimensions and concentricity values were inspected before shipment.
For micron-level machining methods, read our Как добиться точности ±0,005 мм в алюминиевых деталях case study

Thin Wall Control: Why It Matters
В 1.2–1.5 mm wall thickness, even small cutting forces or fixture imbalance can distort the housing.
That distortion may partially disappear after unclamping, making inspection results inconsistent.
Our process focused on:
- balanced toolpaths
- light finishing passes
- support near weak zones
- controlled cutting heat
- symmetrical material removal
These steps significantly improved repeatability.
Final Results
| Особенность | Target | Achieved |
|---|---|---|
| Толщина стены | 1.2–1.5 mm | Passed |
| Bearing Bore | H7 | Passed |
| Концентричность | ±0,005 мм | ±0.004 mm |
| Поверхностная обработка | Ра 0.8 мкм | Ра 0.6 мкм |
| Batch Stability | Необходимый | Passed |

Hidden Cost Buyers Often Ignore
Many buyers compare only unit price.
But poor concentricity creates much larger costs:
- motor noise complaints
- bearing replacement
- failed final assembly
- vibration troubleshooting
- warranty claims
- delayed product launch
The cheapest quote often becomes the most expensive production run.
Need pricing guidance? Read our Aluminum Machining Cost Guide
Best Fit Applications
This type of housing is ideal for:
- BLDC motor housings
- servo motor housings
- robotics drive systems
- precision spindle housings
- automated motion-control assemblies
Engineer’s Note
For motor housings, geometry matters more than cosmetic appearance.
A clean external finish cannot compensate for a misaligned rotating system.
When bearing bores drift, the motor reveals the truth immediately.
Часто задаваемые вопросы
Why is concentricity important in motor housings?
Poor concentricity causes vibration, шум, and premature bearing wear.
Can thin-wall aluminum housings be machined reliably?
Yes—when fixture design, machining sequence, and inspection control are properly managed.
Why do thin-wall parts deform?
Because clamping force, cutting heat, and internal stress can move weak wall sections.
Is 6061 good for motor housings?
Да. It offers an excellent balance of machinability, сила, коррозионная стойкость, и стоимость.
What causes motor housing vibration?
Common causes include poor concentricity, bearing misalignment, imbalance, and weak assembly control.
How thin can aluminum motor housings be machined?
It depends on geometry and tolerance requirements, но 1.2 mm walls are achievable with proper process control.
Need Precision CNC Motor Housings?
RapidEfficient supplies custom housings for:
- robotics
- EV systems
- оборудование автоматизации
- drive systems
Send us your drawing today.
Our engineers will review manufacturability, tolerance feasibility, and cost-saving opportunities before production.





