CNC Machining Optical Mounts: Precision Case Study

结论第一

A high-precision instrumentation client required custom optical mounts with demanding specifications:

  • Hole position tolerance within ±0.01 mm
  • Surface flatness ≤ 0.02 毫米
  • Stable optical axis alignment
  • Matte black anodized cosmetic finish
  • Repeatable assembly performance

👉 We delivered a full batch with 100% dimensional pass rate, eliminating alignment drift during final assembly.

CNC machined aluminum optical mount with precision holes and black anodized finish

Customer Challenge: The Cost of Mechanical Drift

The previous supplier created recurring issues:

  • Hole pattern deviation caused beam clipping at long distance
  • Uneven base surfaces introduced tilt
  • Critical fits changed after anodizing
  • Manual calibration time increased significantly

👉 In precision optics:

Mechanical error becomes optical error.

一个 0.01 mm shift at the mount can create major misalignment in the final optical path.

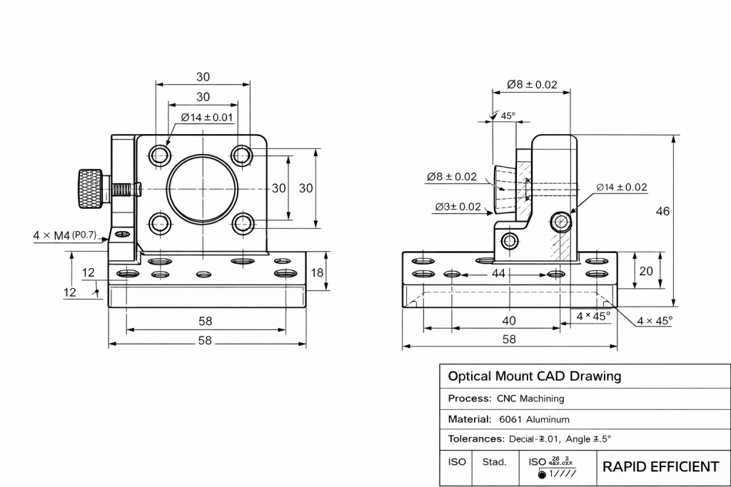
2D engineering drawing of aluminum optical mount with hole position tolerances

Why Precision Matters in Optical Mounts

Optical hardware must maintain:

  • Perpendicularity between base and optical axis
  • Flat contact surfaces
  • Repeatable hole positioning
  • Stable performance after finishing

If any of these fail:

  • Beam path shifts
  • Focus accuracy drops
  • Calibration time increases
  • End-product reliability decreases

Our Engineering Solution: Precision by Design


1. Single-Setup Machining (Datum Integrity)

Critical surfaces and hole patterns were machined in one setup to eliminate datum shift.

By finishing all critical features together, we ensured the optical axis remained perpendicular to the mounting base — essential for long-range laser alignment and repeatable assembly.


2. Fine Surface & Vibration Control

Using low-vibration finishing passes and optimized tooling paths, we achieved contact surfaces beyond standard commercial quality.

This provided a stable mechanical foundation for sensors, lenses, and optical assemblies.


3. Controlled Anodizing & Thickness Compensation

Black anodizing adds measurable thickness that can affect micron-level fits.

To maintain ±0.01 mm tolerances after finishing, we applied anodizing thickness compensation during CNC preparation.

Critical fit areas were masked when required, eliminating the need for post-finish reaming or rework.

CAD model of optical mount showing precision hole layout and mounting structure

📊 Key Production Results: From Tolerance to Performance

特征RequirementResultWhy It Matters
Hole Position±0.01 mmPassedPrevents beam clipping
Flatness≤0.02 mmPassedEliminates tilt & drift
表面处理Ra 0.8–1.6 μmPassedStable mounting contact
Cosmetic FinishMatte BlackPassedReduces stray reflections
precision tolerance detail of optical mount showing hole alignment and flatness requirement

Engineer’s Note

For optical components, dimensional repeatability matters more than appearance.

然而, premium optical products usually require both.

That is why fixture stability, datum strategy, and finishing control are just as important as spindle accuracy.


材料 & High-Stability Options

For most custom optical mounts, 6061-T6 aluminum offers the best balance of:

  • Weight reduction
  • 机械加工性
  • Excellent anodizing quality

For advanced applications, we also machine:

  • 7075-T6 Aluminum → higher rigidity for load-bearing mounts
  • Stainless Steel → maximum stability in harsh environments
  • Brass → specialty alignment components

👉 See also:
最适合 CNC 加工的铝材
https://rapidefficient.com/best-aluminum-for-cnc-machining/


Related Precision Applications

Our high-precision CNC machining is also used for:

👉 CNC motor housing machining case study
https://rapidefficient.com/cnc-motor-housing-thin-wall-concentricity-case-study/

👉 CNC aluminum heat sink machining case study
https://rapidefficient.com/cnc-aluminum-heat-sink-machining-case-study/


Need Custom Optical Hardware?

Whether you are building:

  • Laboratory prototypes
  • Laser systems
  • Semiconductor inspection devices
  • Production optical instruments

👉 Upload your CAD drawing for a DFM review on alignment tolerance, machining feasibility, and finishing risks.


常问问题

What tolerance is typical for optical mounts?

Many precision mounts require ±0.01 mm to ±0.02 mm depending on optical sensitivity.

Which material is best for optical mounts?

6061-T6 aluminum is common due to weight, 机械加工性, and anodizing quality.

Can black anodizing affect tolerance?

是的. Surface coating thickness must be compensated or masked in precision fit areas.

发表评论

滚动至顶部

获取报价

点击或拖拽文件到该区域即可上传. 您最多可以上传 10 文件.
文件格式:TXT PDF DOC DOCX XLS XLSX PPT PPTX JPG PNG ZIP RAR DWG DXF DXF DWT DWS DWS

3D文件格式: 步, STP, sldprt, IPT, prt, 坐着, IGES, IGS, catpart, X_T, OBJ, STL