结论第一
The surface finish of CNC machined aluminum depends on tooling, 主轴速度, 进给率, 刚性, and chip control.
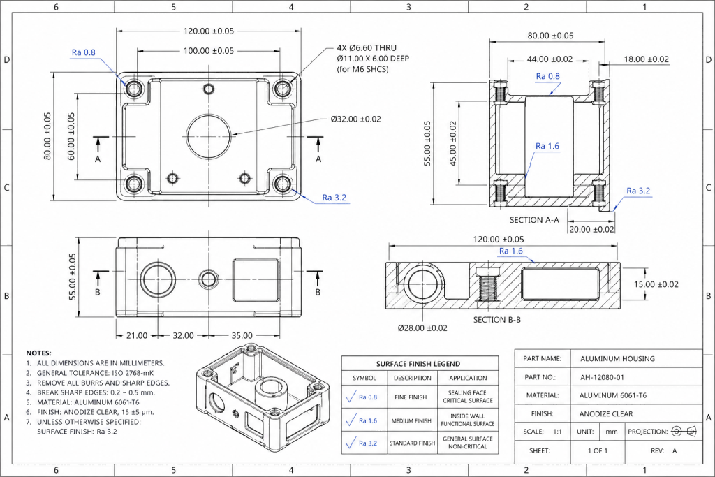
A standard machined finish is often around Ra 3.2 μm, while premium components may require Ra 1.6 μm or even Ra 0.8 μm.
Achieving smoother finishes requires more than slowing the machine down. It demands the right tooling strategy and stable machining conditions.
Understanding Surface Roughness (拉)
| Ra Value (μm) | Appearance | Typical Application |
|---|---|---|
| 3.2 | 可见工具痕迹 | 括号, internal parts |
| 1.6 | Smooth finish | 外壳, consumer products |
| 0.8 | High luster | 医疗, 光学, premium parts |
| 0.4 | Mirror-like | Seal surfaces, 装饰件 |

How to Achieve Ra 0.8 Finish
Reaching Ra 0.8 on 6061 或者 7075 aluminum usually requires:
Polished Carbide Tooling
Mirror-polished flutes reduce chip welding and improve shearing.
High Spindle Speed
Higher RPM often improves cut quality when setup rigidity is strong.
Correct Feed Rate
Too slow can rub the surface. Too fast leaves ridges.
Wiper Geometry
Special inserts can flatten peaks and improve finish at productive feed rates.
Stable Fixturing
Movement or vibration quickly ruins fine finishes.
The Math Behind a Fine Surface
Theoretical surface roughness is strongly influenced by feed per revolution and tool nose radius:
Ra≈32rf2
在哪里:
- f = feed per revolution
- r = tool corner radius
Lower feed and larger nose radius often help improve finish quality.

6061 与 7075: Which Finishes Better?
6061-T6 Aluminum
Softer and more ductile. It can smear if tooling is dull.
7075-T6 Aluminum
Harder and cleaner cutting, but tool wear rises faster.
Read our full comparison of 6061 与 7075 aluminum for CNC machining
Factors That Ruin Aluminum Surface Finish
Chatter
Long tool stickout or weak clamping causes vibration marks.
Recutting Chips
Loose chips dragged across the surface create scratches.
Built-Up Edge (弓)
Material stuck to the tool damages finish quality.
Dull Tools
Worn edges smear instead of cut cleanly.

Ra vs Rz: Why Both Matter
拉
Ra is the average roughness.
Rz
Rz measures peak-to-valley height.
For sealing or precision contact surfaces, Rz can be equally important.
Post-Machining Finishes for Aluminum
Bead Blasting
Creates matte texture.
阳极氧化
Adds color and corrosion resistance.
Chemical Film
Protects surfaces without large dimensional change.
抛光
Used for reflective cosmetic surfaces.
工程师注意事项
Requesting Ra 0.4 when Ra 1.6 is enough may increase cost by 30% 到 50%.
常问问题
是 7075 比 6061 for finish?
Often yes.
Does coolant affect finish?
是的, greatly.
Can Ra be measured during production?
是的, with calibrated profilometers.
Is Ra 0.8 expensive?
More than Ra 3.2, but usually reasonable.

Need Premium Aluminum Surface Finish?
RapidEfficient machines aluminum housings and precision parts with controlled roughness and premium cosmetic quality.
Send us your CAD file for a surface finish review.





