Conclusion First
A customer in the industrial electronics sector needed precision brass electrical connectors with:
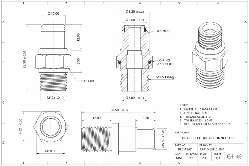
- clean internal and external threads
- low contact resistance
- burr-free edges
- repeatable dimensional accuracy
- stable delivery for batch production
RapidEfficient developed a CNC turning and secondary finishing process that achieved excellent thread quality, cosmetic finish, and repeatable mass production output.
Project Background
The customer previously sourced connectors from another supplier but faced:
- rough threads causing assembly issues
- burrs near contact edges
- inconsistent plating quality
- unstable lead times
The finished parts were used in industrial control equipment exported to Europe, where assembly reliability and appearance consistency were critical.
They asked us to improve quality while maintaining commercial pricing.

Part Specifications
| Item | Requirement |
|---|---|
| Material | C360 Brass |
| Part Type | Electrical Connector |
| OD Tolerance | ±0.02 mm |
| Thread Spec | Custom Fine Thread |
| Surface Finish | Ra 1.6 |
| Qty | 5,000 pcs / batch |
| Finish | Nickel Plating |

Main Manufacturing Challenges
1. Fine Thread Quality
Small threads needed smooth engagement without cross-threading.
2. Burr Control
Sharp burrs could affect assembly and electrical contact reliability.
3. Cosmetic Consistency
Visible connector parts required uniform surface appearance after plating.
4. Volume Stability
The customer needed repeatable output over multiple batches.

Our Manufacturing Solution
We applied:
- precision CNC turning with bar feeder automation
- dedicated threading tools for clean crest formation
- optimized chip control to avoid scratching
- staged deburring process
- plating-ready surface preparation
- in-process gauge inspection every batch
This reduced variation and improved thread engagement consistency.

Quality Verification
Inspection included:
- thread GO / NO-GO gauge checks
- OD and length measurement
- surface visual inspection
- plating thickness sampling
- fit test with mating parts
Final batch acceptance rate exceeded 98.7%.

Production Results
| Metric | Before | After |
|---|---|---|
| Thread Defect Rate | 6.8% | 1.1% |
| Burr Rework Rate | 9.2% | 1.8% |
| Lead Time | 21 Days | 12 Days |
| Batch Consistency | Medium | High |
Why Brass Was the Right Choice
Brass remains one of the best materials for electrical connector parts because it offers:
- excellent machinability
- stable threading performance
- good conductivity
- corrosion resistance
- attractive plated finish
Read our Aluminum vs Brass Guide
Engineer’s Note
Many connector problems come from thread quality and burr control—not from the drawing itself.
For small conductive parts, process control often matters more than machine speed.
FAQ
Why use brass for electrical connectors?
Brass offers a strong balance of machinability, conductivity, and thread quality.
Can brass threads be machined accurately?
Yes. With proper tooling, fine threads can be highly repeatable.
Is plating necessary for brass connectors?
Often yes, depending on corrosion, appearance, and contact requirements.
Can you support batch production?
Yes. We support repeat production with inspection control plans.
Need a Technical Review for Connector Parts?
Have a complex connector, thread, or conductive component design?
Send us your drawing for a free manufacturability (DFM) review within 24 hours.
Our engineers can help with:
- thread optimization
- burr reduction strategy
- plating-ready design improvements
- tolerance planning
- cost-saving production methods
RapidEfficient manufactures custom brass connectors, threaded inserts, and precision conductive parts with stable quality and fast lead times.





